

The JK221 power key lock switch, crafted from durable zinc alloy, offers a robust and secure method for managing the power supply to a variety of devices, including Electric Rolling Gates, Beauty Equipment, and Generator Set Controllers.
Design and Durability
The JK221 power key lock switch is designed with precision and built to last. Its zinc alloy construction provides not only a sleek and professional appearance but also the durability needed to withstand the demands of industrial and commercial environments. This material choice ensures that the switch can resist corrosion and wear, making it suitable for both indoor and outdoor use.
Security Features
One of the key highlights of the JK221 is its advanced security mechanism. As a key lock switch, also known as a key switch lock or power key lock switch, it requires a specific key to operate. This feature is crucial for preventing unauthorized access and ensuring that only authorized personnel can control the power supply to the connected equipment. The lock mechanism is designed to be highly resistant to picking and tampering, providing a secure solution for power control in sensitive applications.
Ease of Installation and Operation
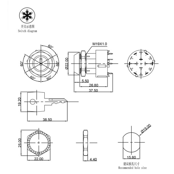
Despite its high-security features, the JK221 is designed for easy installation and user-friendly operation. The switch features a standard 19mm hole size, making it compatible with a wide range of equipment and easy to integrate into existing systems. Its simple mounting process ensures that it can be installed quickly and efficiently, minimizing downtime during the upgrade or installation process.
Once installed, the operation of the JK221 is straightforward. The key lock switch offers multiple positions, allowing for clear and tactile feedback on the power status of the connected device. The 45° turn mechanism provides a positive click, ensuring that operators can confidently confirm the power state of the equipment.
Applications
The JK221 power key lock switch is versatile and can be used in a variety of applications. For Electric Rolling Gates, the JK221 provides a secure means of controlling the gate's operation, ensuring that access can be restricted to authorized personnel only. In the beauty industry, where equipment such as laser machines and aesthetic devices require strict control, the JK221 offers a reliable solution for power management. For Generator Set Controllers, the switch ensures that the generator can be started and stopped securely, maintaining a reliable power supply during critical operations.
Why Choose the JK221?
When it comes to choosing a power key lock switch for your commercial or industrial equipment, the JK221 offers a combination of security, durability, and ease of use that is hard to match. Its zinc alloy construction and advanced lock mechanism make it an ideal choice for environments where reliability and security are paramount.
In conclusion, the JK221 power key lock switch is a vital component for any operation that requires secure and reliable power control. Whether you're managing an electric rolling gate, beauty equipment, or a generator set controller, the JK221 provides the security and durability needed to keep your operations running smoothly. Invest in the JK221 to ensure that your power control is in the right hands—those with the key.